MKÌåÓý

EN
MKÌåÓýÊÖÒÕվȺ
¹Ø×¢MKÌåÓýÊÖÒÕ
MKÌåÓý(MKsports¼¯ÍÅ)¹É·Ý¹«Ë¾ - Mk Sports
MKÌåÓý(MKsports¼¯ÍÅ)¹É·Ý¹«Ë¾ - Mk Sports
Ì×Ĥ¼ì²âÏß
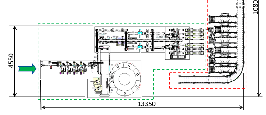
  • µ¥»ú²úÄÜ
    ¡Ý 70PPM
  • ÐÎ×´³ß´ç
    µ¥Ïß L*W*H¡Ü 13500*5400*2500mm
×°±¸Ìصã

½ÓÄÉתËþ½á¹¹ÊµÏÖ¸ßËÙÈÈËõ£¬½ÚÔ¼Õ¼µØÃæ»ý£»

½ÓÄɼÐצ·½·¨¼ÐÈ¡µçо¶¨Î»£¬¼æÈݸÖÂÁ¿Çµçо¡£

×°±¸ÉèÖÃ

×Ô¶¯ÉÏÁÏ

ɨÂ붨λ

Ìù¾øÔµÆ¬»ú¹¹

Ì×Ĥ»ú¹¹

ÈÈËõ»ú¹¹

³ß´çÕÉÁ¿»ú¹¹

ÖØÁ¿ÕÉÁ¿»ú¹¹

Íâ¹Û¼ì²â»ú¹¹

·ÖµµÏÂÁÏ»ú¹¹

´ò°üÎïÁ÷Ïß»ú¹¹

×°±¸²ÎÊý
ÐÎ×´³ß´ç µ¥Ïß L*W*H¡Ü 13500*5400*2500mm
µ¥»ú²úÄÜ ¡Ý 70PPM
ÊÊÓõçо³ß´ç Ö±¾¶:30-50mm£»³¤¶È:130-200mm
»ñÈ¡¸ü¶à²úÆ·×ÊÁÏ
ÁôÑÔ×Éѯ

ÇëÌîдÒÔϱí¸ñ£¬ÎÒÃǽ«¾¡¿ìÓëÄúÁªÏµ

ÁªÏµ·½·¨
  • ÄúµÄÐÕÃû *

  • ÄúµÄ¹«Ë¾ *

  • ÄúµÄµç»° *

  • ÄúµÄÓÊÏä *

»ñÈ¡×ÊÁÏ
  • ÄúµÄÁôÑÔ *

ÍøÕ¾µØÍ¼